返回主站
|
繁
简
登录个人中心
无障碍浏览
长者版
" />
e77乐彩
NingXia Academy of Agriculture and Forestry Sciences
首页
e77乐彩概况
科研机构
新闻中心
政府信息公开
党建工作
专题专栏
互动交流
当前位置:
首页 > 科研仪器设备开放共享 > e77乐彩农作物研究所仪器设备
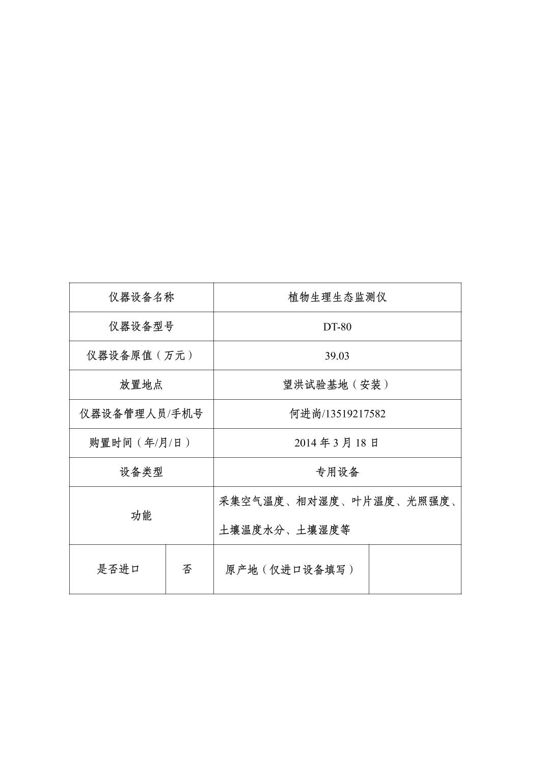
植物生理生态监测仪
来源:
e77乐彩
作者:
日期:
2025-05-22
扫一扫在手机打开当前页
友情链接
厅局网站
自治区发展和改革委员会
自治区教育厅
自治区科学技术厅
自治区工业和信息化厅
自治区民族事务委员会
自治区公安厅
自治区民政厅
自治区司法厅
自治区财政厅
自治区人力资源和社会保障厅
自治区自然资源厅
自治区生态环境厅
自治区住房和城乡建设厅
自治区交通运输厅
自治区水利厅
自治区农业农村厅
自治区商务厅
自治区文化和旅游厅
自治区卫生健康委员会
自治区退役军人事务厅
自治区应急管理厅
自治区审计厅
自治区外事办公室
自治区市场监督管理厅
自治区国有资产监督管理委员会
宁夏宁东能源化工基地
自治区广播电视局
自治区体育局
自治区统计局
自治区地方金融管理局
自治区信访局
人民防空办公室
自治区数据中心
自治区医疗保障局
自治区机关事务管理局
宁夏广播电视台
自治区供销合作社联合社
自治区政府研究室
自治区地质局
e77乐彩
宁夏社会科学院
宁夏大学
宁夏医科大学
宁夏职业技术大学(宁夏开放...
宁夏师范大学
自治区粮食和物资储备局
自治区林业和草原局
宁夏监狱管理局
自治区药品监督管理局
宁夏教育考试院
自治区社会保险事业管理局
自治区人民医院
宁夏工商职业技术大学
宁夏财经职业技术学院
宁夏建设职业技术学院
宁夏警官职业学院
宁夏葡萄酒与防沙治沙职业技...
宁夏艺术职业学院
宁夏医科大学总医院
宁夏贸易促进委员会
宁夏贺兰山东麓葡萄酒产业园...
市县政府网站
银川市
兴庆区
金凤区
西夏区
永宁县
贺兰县
灵武市
石嘴山市
大武口区
惠农区
平罗县
吴忠市
利通区
红寺堡区
青铜峡市
盐池县
同心县
固原市
原州区
西吉县
隆德县
泾源县
彭阳县
中卫市
沙坡头区
中宁县
海原县
各省区市网站
北京
天津
河北
山西
内蒙古
辽宁
吉林
黑龙江
上海
江苏
浙江
安徽
福建
江西
山东
河南
湖北
湖南
广东
广西
海南
重庆
四川
贵州
云南
西藏
陕西
甘肃
青海
宁夏
新疆
香港
澳门
台湾
新疆生产建设兵团
媒体
宁夏党建网
宁夏新闻网
宁夏廉政网
宁夏广电网
人民日报
宁夏日报